JJF(津) 149-2025 标准气体发生装置校准规范 ,该文件为pdf格式 ,请用户放心下载!
尊敬的用户你们好,你们的支持是我们前进的动力,网站收集的文件并免费分享都是不容易,如果你觉得本站不错的话,可以收藏并分享给你周围的朋友。
如果你觉得网站不错,找不到本网站,可以百度、360搜搜,搜狗, 神马搜索关键词“文档天下”,就可以找到本网站。也可以保存到浏览器书签里。
收费文件即表明收集不易,也是你们支持,信任本网站的理由!真心非常感谢大家一直以来的理解和支持!
资源简介
JJF(津)149-2025《标准气体发生装置校准规范》的主要内容总结:
一、规范基本信息
- 编号与名称:JJF(津)149-2025《标准气体发生装置校准规范》
- 适用范围:适用于动态体积法和渗透法原理的标准气体发生装置(以下简称“发生装置”)的校准。
- 归口与起草单位:
- 归口:天津市市场监督管理委员会
- 主要起草:天津市计量监督检测科学研究院、天津国土资源和房屋职业学院
- 参加起草:天津市南开区计量检定所、天津市蓝宇科工贸有限公司
- 首次发布:本规范为首次制定,参考JJF 1059.1、JJF 1001、JJF 1071等基础规范,并借鉴JJG 620、JJG 1132的校准方法。
二、关键术语定义
- 渗透炉(Permeation Furnace):内置温控系统,确保腔体温度稳定的装置。
- 渗透管(Permeation Tube):聚合物材质,在特定温度下具有确定渗透率的元件。
- 组分气(Component Gas):浓度均匀、稳定的原料气体(如氮中一氧化氮)。
- 稀释气(Diluent Gas):用于稀释的高纯度气体(如高纯氮气)。
- 动态体积法(Dynamic Volume Method):通过精确控制组分气与稀释气的体积流量,混合生成标准气体的方法。
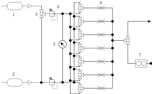
三、发生装置工作原理
- 动态体积法模块:
- 通过流量控制器(临界流喷嘴或热式气体质量流量计)调节组分气和稀释气的体积流量,混合生成目标浓度气体。

组成:调压器、差压计、喷嘴组、气体管路等。
- 通过流量控制器(临界流喷嘴或热式气体质量流量计)调节组分气和稀释气的体积流量,混合生成目标浓度气体。
- 渗透法模块:
- 渗透管内物质在恒温下以特定速率渗透,由载气带入稀释气中混合。

组成:渗透炉、流量控制系统、压力控制系统等。
- 渗透管内物质在恒温下以特定速率渗透,由载气带入稀释气中混合。
四、计量特性要求
| 序号 | 校准项目 | 计量特性指标 | 备注 |
|---|---|---|---|
| 1 | 流量示值误差 | 临界流喷嘴:≤±1.0% 热式流量计:≤±1.0%FS |
FS为满量程值 |
| 2 | 流量重复性 | ≤0.5% | 单次测量相对标准偏差 |
| 3 | 渗透炉温度示值误差 | ≤±0.4℃ | 与设定值的偏差 |
| 4 | 渗透炉温度波动度 | 10min内≤±0.1℃ | 温度波动范围 |
| 5 | 输出气体浓度误差 | ≤±3% | 设定浓度与实际浓度偏差 |
注:以上指标仅供参考,非合格性判定依据,需根据装置功能选择校准项目。
五、校准条件
- 环境要求:
- 温度:未限定(若制造商有要求则从其规定)。
- 湿度:≤75% RH,无振动、电磁干扰及阳光直射。
- 校准设备:
- 流量标准器:活塞/皂膜式,扩展不确定度≤被校装置允差绝对值的1/2(k=2)。
- 温度计:量程25~70℃,最大允差±0.1℃。
- 气体标准物质:氮中一氧化氮(1~5000 μmol/mol),U≤1%(k=2)。
- 分析仪:一氧化氮气体分析仪,最大允差±1%。
- 辅助设备:不锈钢/聚四氟乙烯材质减压阀及气体管路。
六、校准方法与项目
1. 流量示值误差
- 方法:通入零点气体,设定流量点(满量程10%、20%、50%、80%),用流量标准器测量3次,按公式计算误差:
- 临界流喷嘴:ΔFi=FˉiFi−Fˉi×100%
- 热式流量计:ΔFi=RFi−Fi×100%
(Fi为设定值,Fiˉ为测量均值,R为量程上限)
2. 流量重复性
- 方法:设定50%量程点,重复测量6次,按公式计算相对标准偏差:
Sr=Fˉ1×n−1∑i=1n(Fi−Fˉ)2×100%
3. 渗透炉温度示值误差与波动度
- 方法:温度计探头置入渗透炉,稳定后每2分钟记录1次(共6次),计算:
- 示值误差:ΔT=Ts−Tˉ
- 波动度:ΔTf=±21(Tmax−Tmin)
4. 输出气体浓度误差
- 方法:用气体标准物质校准分析仪后,测试发生装置输出气体浓度,重复3次:
Δcr=cˉc0−cˉ×100%
(c0为设定浓度,cˉ为分析均值)
七、校准结果与文件管理
- 校准证书内容:
- 需包含实验室信息、设备描述、校准依据、环境条件、结果及不确定度说明等(共16项,详见规范条款7)。
- 复校时间间隔:
- 建议不超过1年;若对数据存疑、更换部件或维修后,需重新校准。
八、附录内容
- 附录A:校准原始记录推荐格式(含流量、温度、浓度等数据表)。
- 附录B:校准证书内页推荐格式。
- 附录C:流量示值误差不确定度评定案例(以热式流量计为例,U=0.3%,k=2)。
九、技术补充
- 首次发布意义:填补了标准气体发生装置校准领域的规范空白,统一动态体积法与渗透法的校准方法。
- 溯源要求:强调测量标准需具有有效溯源性。
注:本规范详细内容以正式文件为准,执行时需严格遵循环境与设备要求。

评论