T∕CASAS 037-2024 碳化硅金属氧化物半导体场效应晶体管(SiC MOSFET)栅极电荷测试方法 ,该文件为pdf格式 ,请用户放心下载!
尊敬的用户你们好,你们的支持是我们前进的动力,网站收集的文件并免费分享都是不容易,如果你觉得本站不错的话,可以收藏并分享给你周围的朋友。
如果你觉得网站不错,找不到本网站,可以百度、360搜搜,搜狗, 神马搜索关键词“文档天下”,就可以找到本网站。也可以保存到浏览器书签里。
收费文件即表明收集不易,也是你们支持,信任本网站的理由!真心非常感谢大家一直以来的理解和支持!
“T/CASAS 037-2024 碳化硅金属氧化物半导体场效应晶体管(SiC MOSFET)栅极电荷测试方法”主要内容的详细总结。我将根据文档结构组织回复,确保内容尽可能详细,并嵌入相关图片以增强理解(图片嵌入严格遵循文档中的标签格式和位置)。文档的核心是提供SiC MOSFET栅极电荷的测试方法,包括原理、电路、条件和数据处理,特别强调了SiC器件特有的挑战(如DIBL效应和米勒斜坡)。总结涵盖以下部分:
- 1. 范围
- 2. 规范性引用文件
- 3. 术语和定义
- 4. 测试原理
- 5. 测试条件
- 6. 测试流程
- 7. 测试数据处理
- 8. 测试报告
- 9. 附录和参考文献
每个部分我会提取关键点,并在相关位置嵌入图片标签(如测试原理图、波形曲线等),确保图片紧邻其原始描述。
1. 范围
本文件规定了SiC MOSFET(增强型N沟道垂直结构)的栅极电荷测试方法,适用于器件特性表征和可靠性测试。具体适用范围包括:
- 测试对象:增强型N沟道垂直SiC MOSFET分立器件(晶圆级和封装级产品)以及含此类器件的功率模块。
- 测试目标:提取关键栅极电荷参数,如栅源电荷(
Q_{\text{GS}})、栅漏电荷(Q_{\text{GD}})、阈值栅源电荷(Q_{\text{GS,th}})和栅极总电荷(Q_{\text{G,TOT}})。这些参数对评估器件开关损耗、驱动电路设计和系统性能至关重要。 - 核心挑战:针对SiC MOSFET特有的问题(如无典型米勒平台、DIBL效应导致的米勒斜坡、栅氧界面态引起的阈值漂移和曲线回滞),文档提供了专门的数据处理方法。
2. 规范性引用文件
文档引用以下标准作为基础:
- T/CASAS002-2021:宽禁带半导体术语,提供基本定义和术语。
- T/CASAS006-2020:碳化硅金属氧化物半导体场效应晶体管通用技术规范,补充了SiC MOSFET的通用测试要求。
这些引用确保测试方法与其他标准兼容,测试中需遵循其条款。
3. 术语和定义
文档定义了关键术语(基于T/CASAS002-2021和新增内容),这些是理解测试方法的基础:
- 漏致势垒降低效应(DIBL):短沟道器件中,漏源电压
V_{\text{DS}}增加导致阈值电压降低的效应,影响米勒平台的稳定性。 - 米勒平台与米勒斜坡:米勒平台是栅漏电容充放电引起的栅压平台;而米勒斜坡是DIBL效应导致的平台倾斜现象(SiC MOSFET特有)。
- 栅极电荷参数:
- 阈值栅源电荷(
Q_{\text{GS,th(ON)}}/Q_{\text{GS,th(OFF)}}:开启/关断阶段,栅压从标称关断电压V_{\text{OFF}}到阈值电压V_{\text{th}}所需的电荷量。 - 栅源电荷(
Q_{\text{GS(ON)}}/Q_{\text{GS(OFF)}}:开启/关断阶段,栅压从V_{\text{OFF}}到米勒平台开始处(或从平台末端到V_{\text{OFF}})的电荷量。 - 栅漏电荷(
Q_{\text{GD(ON)}}/Q_{\text{GD(OFF)}}:米勒平台阶段(漏源电压变化阶段)积累或释放的电荷量。 - 栅极总电荷(
Q_{\text{G,TOT(ON)}}/Q_{\text{G,TOT(OFF)}}:开启/关断全程,栅压从V_{\text{OFF}}到标称导通电压V_{\text{ON}}(或反之)的总电荷量。
- 阈值栅源电荷(
- 其他关键术语:标称关断栅极电压
V_{\text{OFF}}、标称导通栅极电压V_{\text{ON}}、母线电压V_{\text{DD}}、漏源电流I_{\text{DS}}、续流二极管(FWD)和反向恢复电荷Q_{\text{RR}}。
4. 测试原理
测试原理分为基本原理和两种具体电路方法(感性负载和阻性负载),以模拟实际工况。
4.1 栅极电荷测试基本原理
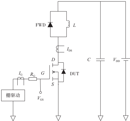
栅极电荷测试通过驱动电路对栅极电容充放电,监测栅极电压V_{\text{G}}和电流I_{\text{G}}变化。核心原理图如图1所示,电路包括被测器件(DUT)、栅极驱动(电压源或电流源)、负载(阻性或感性)和母线电源。测试中,栅极电压变化分为三个阶段(见图2):
- 开启阶段:
V_{\text{G}}从V_{\text{OFF}}上升到V_{\text{ON}},对应Q_{\text{GS}}、Q_{\text{GD}}和Q_{\text{G,TOT}}提取。 - 关断阶段:逆过程,但受回滞现象影响(开启和关断曲线不重合)。
通过积分栅极电流获取电荷量:
Q_G = \int_0^t I_G(t) \, dt
结果转换为栅极电荷曲线(见图3),显示米勒斜坡和回滞。


4.2 感性负载(双脉冲)电路测试原理
推荐方法,模拟实际开关条件(如新能源汽车应用)。电路如图4所示,被测器件为下管,负载由电感(L)和续流二极管(FWD)并联组成(推荐SiC肖特基二极管以减少Q_{\text{RR}}影响)。测试使用双脉冲波形(见图5):
- 第一个脉冲下降阶段:测量关断状态栅极电荷
Q_{\text{G(OFF)}}。 - 第二个脉冲上升阶段:测量开启状态栅极电荷
Q_{\text{G(ON)}}。
电源通过电压源对母线电容(C)充电后放电,确保瞬时功率需求。

4.3 阻性负载(单脉冲)电路测试原理
替代方法,使用电阻负载。电路如图6所示,测试单脉冲波形(见图7):
- 脉冲上升阶段:测量开启状态电荷
Q_{\text{G(ON)}}。 - 脉冲下降阶段:测量关断状态电荷
Q_{\text{G(OFF)}}。
为覆盖高压和低压条件,采用图8的高压小电流和低压大电流测试拼接(图8a和8b),通过曲线结合获得完整电荷曲线。


5. 测试条件
测试必须在严格控制的环境下进行,以确保结果可靠性:
- 温度:25℃ ± 2℃(室温条件)。
- 湿度:相对湿度不超过65%。
- 设备要求:使用校准的探针台或测试夹具,适配器件封装形式(分立器件或模块)。
6. 测试流程
测试流程分为感性负载(双脉冲)和阻性负载(单脉冲)两种方法。
6.1 感性负载(双脉冲)测试流程
步骤如下:
- 准备:选择合适夹具,按图4连接电路。
- 参数设置:
- 负载电感L。
- 标称关断电压
V_{\text{OFF}}和导通电压V_{\text{ON}}。 - 母线电压
V_{\text{DD}}。 - 目标漏源电流
I_{\text{DS}}。
- 测试执行:
- 电压源对母线电容充电至
V_{\text{DD}}。 - 栅极驱动输出双脉冲:第一脉冲宽度确保
I_{\text{DS}}达到设定值,第二脉冲用于开启测试。 - 记录第一脉冲下降阶段(关断)和第二脉冲上升阶段(开启)的栅极电压和电流波形。
- 电压源对母线电容充电至
- 输出:提取并保存相关波形数据。
6.2 阻性负载(单脉冲)测试流程
步骤如下:
- 高压小电流测试:
- 按图8a连接电路,设置负载电阻R、
V_{\text{OFF}}、V_{\text{ON}}和V_{\text{DD}}。 - 输出单脉冲,记录上升和下降阶段波形。
- 按图8a连接电路,设置负载电阻R、
- 低压大电流测试:
- 按图8b连接电路,设置R、
V_{\text{OFF}}、V_{\text{ON}}和I_{\text{DS}}。 - 输出单脉冲,记录相同波形。
- 按图8b连接电路,设置R、
- 数据整合:将高压和低压曲线拼接(见7.2节数据处理)。
7. 测试数据处理
数据处理针对测试波形提取具体电荷参数,区分开启(ON)和关断(OFF)阶段,以处理回滞现象。
7.1 感性负载(双脉冲)测试数据处理
基于图9的栅极电荷曲线(横轴为电荷Q_G,纵轴为V_G):
- 开启阶段参数提取:
Q_{\text{GS,th(ON)}}:从V_{\text{OFF}}到V_{\text{th}}的电荷量(曲线初始段)。Q_{\text{GS(ON)}}:从V_{\text{OFF}}到米勒斜坡开始处的电荷量。Q_{\text{GD(ON)}}:处理米勒斜坡(DIBL效应导致倾斜)—将曲线反向延伸(图9段c),连接辅助线(段d),映射电荷区间。Q_{\text{G,TOT(ON)}}:从V_{\text{OFF}}到V_{\text{ON}}的总电荷量。
- 关断阶段参数提取:类似方法,但独立处理(
Q_{\text{GS,th(OFF)}}、Q_{\text{GS(OFF)}}、Q_{\text{GD(OFF)}}、Q_{\text{G,TOT(OFF)}})。
记录数据:包括V_{\text{th}}、V_{\text{OFF}}、V_{\text{ON}}、I_{\text{DS}}、V_{\text{DD}}、环境温度T,以及所有电荷参数(开启和关断分开)。
7.2 阻性负载(单脉冲)测试数据处理
基于图10,拼接高压小电流(曲线a)和低压大电流(曲线b)曲线:
- 曲线拼接:
- 以曲线a首段起点绘制曲线c首段,延伸至曲线b的米勒斜坡处。
- 以曲线b第二段斜率绘制曲线c第二段,延伸至曲线a第三段交点。
- 以交点绘制曲线c第三段(斜率同曲线b)。
- 参数提取:对拼接曲线(图10c)使用7.1节方法提取电荷参数。
8. 测试报告
测试报告必须完整记录过程和结果,确保可追溯性:
- 必需内容:
- 测试对象(如器件型号和封装)。
- 使用的标准(本文件及引用标准)。
- 测试方法(感性或阻性负载)。
- 测试条件(温度、湿度、参数设置如
V_{\text{DD}}、I_{\text{DS}}、V_{\text{OFF}}、V_{\text{ON}})。 - 测试结果(所有栅极电荷参数,区分ON/OFF)。
- 测试日期。
- 格式参考:使用附录A的测试记录表(表A.1),包含样品编号、开关阶段参数和测试条件。
9. 附录和参考文献
- 附录A:提供栅极电荷测试记录表示例(表A.1),用于标准化数据记录,包括样品信息、测试条件和电荷参数。
- 参考文献:引用相关标准,如:
- GB/T 4586:半导体器件分立器件第8部分(场效应晶体管)。
- IEC 60747-8:2010:半导体器件测试标准。
- JEDEC JEP192 和 JESD24-2:栅极电荷测试指南。
- MIL-STD-750E:国防部半导体测试方法。
这些附录和参考文献确保测试方法与国际标准兼容。
此总结基于文档全文,覆盖所有关键部分,并严格嵌入相关图片以直观展示测试原理和数据处理。文档的宗旨是提供标准化、可重复的测试方法,解决SiC MOSFET特有挑战,适用于工业界和研发场景。

评论