T/CMA HG105-2025 胶料流动性分析仪 ,该文件为pdf格式 ,请用户放心下载!
尊敬的用户你们好,你们的支持是我们前进的动力,网站收集的文件并免费分享都是不容易,如果你觉得本站不错的话,可以收藏并分享给你周围的朋友。
如果你觉得网站不错,找不到本网站,可以百度、360搜搜,搜狗, 神马搜索关键词“文档天下”,就可以找到本网站。也可以保存到浏览器书签里。
收费文件即表明收集不易,也是你们支持,信任本网站的理由!真心非常感谢大家一直以来的理解和支持!
资源简介
T/CMA HG105-2025《胶料流动性分析仪》标准主要内容总结
1. 范围与适用性
- 标准规定了胶料流动性分析仪的结构、技术要求、检验方法、检验规则等,适用于测定生胶和混炼胶流动性的分析仪。
- 引用标准包括GB/T 9881(橡胶术语)和HG/T 2382(橡胶测试仪器通用要求)。
2. 术语与定义
- 定义了关键参数:
- 流动体积(V):规定时间内流经口模的试样体积。
- 体积流动速率(Q):单位时间内流经口模的体积。
- 表观剪切速率(
\dot{\gamma})、表观剪切应力(\tau)、表观剪切黏度(\eta):通过体积流动速率、口模尺寸及应力关系计算得出。
3. 仪器结构
- 主要部件包括压力加载装置、力传感器、位移测量装置、上下测试模组、柱塞、料筒、口模、合模装置等。
- 结构示意图如图1所示:

4. 技术要求
4.1 料筒及其加热装置
- 材质需耐高温、抗磨损,内径20~35mm(偏差±0.007mm),长度25~50mm,表面粗糙度Ra≤0.25μm。
- 温度控制精度:偏差±0.5℃,波动±0.3℃。
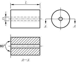
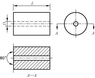
4.2 口模及其加热装置
- 材质为硬质钢或碳化钨,常用口模尺寸见表1(长度1~20mm,内径1~2mm,入口角180°)。

- 温度控制要求同料筒。
4.3 柱塞
- 外径比料筒内径小0.040±0.005mm,温度控制精度±0.5℃。
4.4 其他关键部件
- 压力加载装置:压力范围0.1~75kN,偏差≤±0.5%。
- 合模装置:锁紧力需大于试验压力,闭合灵活无阻滞。
- 位移测量装置:误差≤±0.01mm。
5. 检验方法
- 温度检测:使用探头式/表面温度传感器,验证料筒、柱塞、口模的温度偏差和波动。
- 尺寸检测:高度规测量口模长度,通规止规检验内径。
- 压力与位移误差检测:通过测力传感器和高度规验证压力控制精度(±0.5%)和位移误差(±0.01mm)。
6. 检验规则
- 出厂检验:涵盖技术要求(5.2~5.3)和外观/电气性能。
- 型式检验:增加耐运输颠簸性能(HG/T 2382)。
7. 标志、包装与运输
- 符合HG/T 2382规定,确保仪器在运输和贮存中的安全性。
8. 附录与参考文献
- 引用GB/T 25278-2010(塑料流动性测定方法)作为参考。
关键图表说明
- 图1:展示仪器整体结构,标注压力加载、合模装置等核心部件。
- 图2:口模尺寸示意图,明确长度、内径、入口角等参数。
- 表1:列出4种常用口模的尺寸及长径比(1~20)。
该标准全面规范了胶料流动性分析仪的设计、制造和检验流程,确保测试数据的准确性和仪器可靠性。

评论