T/CMA HG106-2025 未硫化橡胶 流动性的测定 胶料流动性分析仪法 ,该文件为pdf格式 ,请用户放心下载!
尊敬的用户你们好,你们的支持是我们前进的动力,网站收集的文件并免费分享都是不容易,如果你觉得本站不错的话,可以收藏并分享给你周围的朋友。
如果你觉得网站不错,找不到本网站,可以百度、360搜搜,搜狗, 神马搜索关键词“文档天下”,就可以找到本网站。也可以保存到浏览器书签里。
收费文件即表明收集不易,也是你们支持,信任本网站的理由!真心非常感谢大家一直以来的理解和支持!
资源简介
《未硫化橡胶流动性的测定胶料流动性分析仪法》标准的详细总结:
1. 范围
- 规定了胶料流动性分析仪测试未硫化橡胶(生胶和混炼胶)流动性的方法。
- 核心指标:流动体积(V)、体积流动速率(Q)、表观剪切速率、表观剪切应力(τ)、表观剪切黏度(η)。
2. 规范性引用文件
- 引用GB/T系列标准,涵盖试样制备(GB/T 2941)、混炼程序(GB/T 6038)、术语(GB/T 9881)、取样(GB/T 15340)等。
3. 术语和定义
- 流动体积(V):规定时间内流经口模的试样体积(mm³)。
- 体积流动速率(Q):单位时间内流经口模的体积(mm³/s)。
- 表观剪切速率(γ̇):由体积流动速率和口模内径计算的形变速率(s⁻¹)。
- 表观剪切应力(τ):剪切作用下的应力(Pa)。
- 表观剪切黏度(η):τ与γ̇的比值(Pa·s)。
4. 原理
- 将试样装入预热料筒,恒压驱动柱塞挤压试样通过口模挤出,记录流动参数以评价流动性。
5. 仪器要求
5.1 结构
- 组成:料筒、口模、柱塞、压力加载装置、位移测量装置等。
5.2 料筒
- 内径:20–35 mm,长度:25–50 mm。
- 控温精度:±0.5℃。
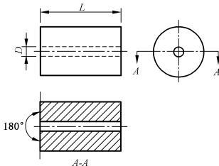
5.3 口模
- 4种标准尺寸(见表1),入口角均为180°。

表1 口模标准尺寸
| 参数 | 口模1 | 口模2 | 口模3 | 口模4 |
|---|---|---|---|---|
| 长度L (mm) | 1.0 | 10.0 | 20.0 | 20.0 |
| 内径D (mm) | 1.0 | 1.0 | 1.0 | 2.0 |
| 长径比L/D | 1 | 10 | 20 | 10 |
5.4 其他组件
- 柱塞:需与料筒紧密配合,控温±0.5℃。
- 压力加载:误差≤±0.5%。
- 位移测量:精度±0.01 mm。
6. 试样制备
- 来源:生胶按GB/T 15340制备;混炼胶按GB/T 6038制备。
- 尺寸:直径20/30/35 mm(匹配料筒),厚度6–30 mm的圆形胶片。
- 预处理:标准实验室温度下调节≥30 min,24 h内测试。
7. 试验条件
7.1 温度
- 根据橡胶类型选择(见表2),控温±0.5℃。
表2 参考试验温度
| 橡胶类型 | 温度(℃) |
|------------------------|-----------------|
| NR, BR, CR, NBR, SBR等 | 100.0 或 125.0 |
| EPDM, 母炼胶 | 125.0 |
| 终炼胶 | 100.0 |
7.2 压力
- 推荐:5 MPa、8 MPa、10 MPa,或根据加工需求选择。
8. 试验步骤
- 预热:仪器预热至试验温度≥30 min。
- 装样:试样放入料筒,捣实排除气泡。
- 预热试样:≥1 min(体积大则延长时间)。
- 挤出:闭合模组,恒压挤压,记录1 min内的Q和γ̇(流动性差可延长)。
- 清洁:取出余料,清洁料筒及口模。
9. 结果计算
- 流动体积(V):
V=A×l(A:柱塞截面积,l:位移)V = A \times l \quad (A: \text{柱塞截面积}, l: \text{位移})V=A×l(A:柱塞截面积,l:位移) - 体积流动速率(Q):
Q=A×v(v:平均挤出速度)Q = A \times v \quad (v: \text{平均挤出速度})Q=A×v(v:平均挤出速度) - 表观剪切速率(γ̇):
γ˙=32QπD3(D:口模内径)\dot{\gamma} = \frac{32Q}{\pi D^3} \quad (D: \text{口模内径})γ˙=πD332Q(D:口模内径) - 表观剪切应力(τ):
τ=pD4L(p:压力,L:口模长度)\tau = \frac{p D}{4L} \quad (p: \text{压力}, L: \text{口模长度})τ=4LpD(p:压力,L:口模长度) - 表观剪切黏度(η):
η=τγ˙\eta = \frac{\tau}{\dot{\gamma}}η=γ˙τ
10. 流动性能表示
- 核心参数:V(流动体积)、Q(体积流动速率)、η(表观剪切黏度)。
11. 试验报告内容
需包含:
- 样品描述及产地
- 试样制备细节
- 试验温度、压力、时间
- 料筒及口模尺寸
- 测试结果(V/Q/η等)
- 测试日期
总结:该标准详细规范了胶料流动性分析仪的操作流程、仪器参数、数据计算及报告要求,为未硫化橡胶的流动性评价提供统一方法,适用于质量控制和研发分析。

评论