DBJ33/T 1348-2025 城镇道路路桥过渡段技术规程 ,该文件为pdf格式 ,请用户放心下载!
尊敬的用户你们好,你们的支持是我们前进的动力,网站收集的文件并免费分享都是不容易,如果你觉得本站不错的话,可以收藏并分享给你周围的朋友。
如果你觉得网站不错,找不到本网站,可以百度、360搜搜,搜狗, 神马搜索关键词“文档天下”,就可以找到本网站。也可以保存到浏览器书签里。
收费文件即表明收集不易,也是你们支持,信任本网站的理由!真心非常感谢大家一直以来的理解和支持!
资源简介
《城镇道路路桥过渡段技术规程》(DBJ33/T 1348-2025)的主要内容总结,按章节结构详细展开:
1 总则
- 目的:提升城镇道路路桥过渡段行车舒适性,改善桥头跳车现象。
- 适用范围:浙江省新建及改扩建城镇道路路桥过渡段的设计、施工、验收和养护。
- 基本原则:需符合国家及浙江省现行相关标准。
2 术语
- 核心术语定义:
- 路桥过渡段:道路与桥梁衔接的特殊路段(含台背路基和渐变段路基)。
- 桥头跳车:因差异沉降或伸缩缝破坏导致车辆跳跃的现象。
- 相邻纵坡差(Δi):差异沉降引起的相邻路段纵坡差值(附录A详细规定测量方法)。
3 基本规定
- 设计原则:
- 根据道路等级、地质条件、填方高度综合确定过渡段长度。
- 软土地基施工期需进行稳定与变形监测,必要时延续至运行期。
- 特殊要求:
- 分幅分期修建时,路基宜全幅填筑并与桥梁同步完成。
- 养护需按病害等级制定专项方案(A-D类分级见附录A)。
4 设计
4.1 一般规定
- 双控指标:路基稳定性和工后沉降需同时达标(软土地基工后沉降≤0.10m)。
- 过渡段长度计算:
L = L_1 + L_2 \quad (L_2 = m \times H + \gamma_0 \times L_V)L_1:台背路基长度(设搭板时取搭板长度,无搭板时取8m)。L_2:渐变段长度(软土地基\gamma_0取0.6~1.0)。
- 图示:

4.2 路基
- 压实度要求:
部位 快速路/主干路 次干路/支路 基底 ≥91% ≥90% 台背路基 ≥96%(分层厚≤150mm) - 填料要求:轻质或级配碎石(粒径≤100mm),软土地区推荐整体性轻质填料。
- 路床模量:快速路/主干路≥40MPa。
4.3 路面
- 水泥混凝土路面:
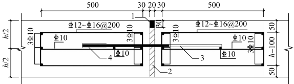
- 设搭板时,搭板与路面板间设6~10m钢筋混凝土过渡板,接缝采用设传力杆胀缝(缝宽20mm)。

- 设搭板时,搭板与路面板间设6~10m钢筋混凝土过渡板,接缝采用设传力杆胀缝(缝宽20mm)。
- 沥青路面:
- 次干路以上宜设内部排水系统,接缝处灌填缝料并加抗裂贴。
4.4 桥头搭板
- 设置条件:软土地区必设;非软土地区填方高度>2.5m时宜设。
- 尺寸要求:支路长6m,其他道路长8m;厚度≥35cm(宜取长度1/20)。
- 构造细节:整幅现浇,预留注浆孔(1.5m×1.5m正三角形布置)。
4.5 监测
- 监测项目:地表沉降、水平位移(必要时深层位移)。
- 断面布置:
位置 监测重点 台背路基范围 沉降、位移 渐变段路基范围 差异沉降 - 控制指标:
- 施工期沉降速率≤10~15mm/昼夜,位移≤5mm/昼夜。
- 路面铺筑前需满足:工后沉降达标 + 连续2月沉降≤5mm/月。
5 施工与验收
5.1 一般规定
- 优先施工路桥过渡段路基,地基处理先于桥台桩基施工。
- 关键工序留存影像资料(如软基处理、台背回填)。
5.2 施工要求
- 台背回填:
- 对称分层填筑(每层标定厚度并拍照存档)。
- 台背2m内禁用重型压路机,改用小型机具补压。
- 管线埋设:避免接头,必要时混凝土包方处理。
- 伸缩缝安装:桥面铺装后切割预留槽,精准对齐安装。
5.3 验收标准
- 路基压实度抽检:
部位 抽检频率 台背路基 每压实层≥1点 渐变段路基 1000m²/层抽3点 - 软基处理验收:
- 水泥搅拌桩/旋喷桩:28天后取芯检抗压强度(≥0.5%桩数)。
- 刚性桩:低应变检测完整性(≥20%桩数),静载试验验承载力。
6 养护
6.1 基本要求
- 与道路同步养护,第三方监测单位需具备资质。
- 养护过程信息化管理。
6.2 巡查检测
- 分级巡查:
- 日常巡查(发现问题即时上报)。
- 定期检测(测相邻纵坡差Δi,按附录A定级)。
- 特殊检测(C/D类病害或不明沉陷时启动)。
- 应急响应:错台>100mm时立即设警示并启动预案。
6.3 维修处治
- 病害分级处治:
等级 措施 A类 预防性养护 B类 保养小修(铣刨罩面/注浆) C/D类 大中修(专项设计) - 处治长度:软土地区按道路等级控制(快速路40m,支路20m)。
- 搭板问题:脱空时注浆加固;断裂时拆除并修复基层后重建。
- 伸缩缝病害:预埋槽破坏用高性能混凝土锚固;损坏则更换(中小桥推荐无缝伸缩缝)。
附录A:桥头跳车评价方法
- 病害分级:按相邻纵坡差Δi划分(表A.0.1),例如:
- V>60km/h时:A类Δi≤0.5%,D类Δi>2.0%。
- 测量方法:
- 设搭板时测点分布(图A.0.2-1、A.0.2-2):
- 无搭板时测点分布(图A.0.2-3、A.0.2-4)。
- 设搭板时测点分布(图A.0.2-1、A.0.2-2):
总结要点:
- 系统性设计:从地质评估到结构细节(如搭板、胀缝)均量化规定。
- 全过程管控:施工分层压实+影像追溯,验收按频次抽检。
- 科学养护:基于Δi分级处治,C/D类病害需专项设计。
- 地域适应性:针对浙江省软土地区明确特殊措施(如轻质填料、预抛高)。

评论