T/CIESC 89-2025 器外再生修复贵金属催化剂 ,该文件为pdf格式 ,请用户放心下载!
尊敬的用户你们好,你们的支持是我们前进的动力,网站收集的文件并免费分享都是不容易,如果你觉得本站不错的话,可以收藏并分享给你周围的朋友。
如果你觉得网站不错,找不到本网站,可以百度、360搜搜,搜狗, 神马搜索关键词“文档天下”,就可以找到本网站。也可以保存到浏览器书签里。
收费文件即表明收集不易,也是你们支持,信任本网站的理由!真心非常感谢大家一直以来的理解和支持!
资源简介
- 适用范围
- 适用于石油化工、煤化工、煤制油、生物质等装置中失活的贵金属催化剂再生修复。
- 载体类型:分子筛或其与氧化铝、氧化硅、氧化钛的复合载体。
- 贵金属类型:铂、钯等Ⅷ族金属中的一种或多种。
- 核心目标
规范失活催化剂的器外再生修复流程,明确技术要求与检测方法,确保再生催化剂性能恢复至可用水平。
二、关键术语定义
- 待生催化剂:装置使用后因积炭、硫化物覆盖活性中心而暂时失活,但可通过再生恢复的催化剂。
- 可再生催化剂:待生催化剂经筛分去除杂质(瓷球、碎颗粒)后的中间产物。
- 器外再生:在异地专用装置中,通过高温含氧气流氧化燃烧积炭和硫化物,恢复活性的过程。
- 再生催化剂:经器外再生后活性恢复的可再次使用产品。
- 参比标准样(Rx):实验室模拟再生后的催化剂样本,其检测值作为质量基准。
- 烧失率:可再生催化剂在实验室马弗炉中程序升温燃烧后的质量损失百分比。
- 回收率:工业再生后再生催化剂质量占可燃生催化剂(扣除烧失损失)的质量百分比。
三、技术要求(表1)
再生催化剂需满足以下指标:
| 序号 | 项目 | 指标要求 |
|---|---|---|
| 1 | 碳含量(w/%) | ≤ 0.2 |
| 2 | 比表面积(m²/g) | ≥ 0.95Rx(参比标准样值) |
| 3 | 孔容(mL/g) | ≥ 0.95Rx(参比标准样值) |
| 4 | 强度(N/mm) | ≥ 0.95Rx(参比标准样值) |
| 5 | 回收率(%) | ≥ 98 |
| 6 | 活性(%) | ≥ 0.95Rx(参比标准样值) |
| 7 | 专利商特殊要求 | 按技术开发商或专利商规定执行 |
说明:
- Rx 为实验室再生参比样的实测值。
- 活性评价方法由催化剂专利商提供,是否需检测由用户确定。
四、试验方法
- 碳含量:按 HG/T 5594(高频燃烧红外吸收法)测定。
- 比表面积:按 GB/T 5816 测定。
- 孔容:按 HG/T 5764 测定。
- 强度:按 HG/T 2782(颗粒抗压碎力法)测定。
- 回收率计算:
r=w2w1×(1−∑i=1nxAin)×100%r = \frac{w_2}{w_1 \times \left(1 - \frac{\sum_{i=1}^{n} x_{A_i}}{n}\right)} \times 100\%r=w1×(1−n∑i=1nxAi)w2×100%- w2w_2w2:再生催化剂总质量(吨);
- w1w_1w1:可再生催化剂总质量(吨);
- xAix_{A_i}xAi:每批次采样测得的烧失率(%);
- nnn:采样批次数量。
- 活性评价:方法由专利商提供,用户决定是否检测。
五、质量控制与检测规则
- 采样要求
- 以连续生产 4 小时为一批次。
- 每批随机取样 (100±10) g(100 \pm 10) \, \text{g}(100±10)g,分装两瓶(袋),一瓶检测,一瓶备查。
- 出厂检测
- 混合批次样品,按表 1 项目检测并出具报告。
- 判定规则
- 结果按 GB/T 8170 修约值比较法判定。
- 初检不合格时,双倍取样复检;复检仍不合格则判为不合格品。
六、标志、包装与运输
- 标志与标签
- 包装需标注:企业名称、产品名称、净含量、批号、标准号(T/CIESC 89-2025)、GB/T 191 储运标志。
- 附检测报告单,含质量指标符合性声明。
- 包装方式
- 再生催化剂:可选铁桶(200L + 聚乙烯内袋)、集装箱(2m³ + 聚乙烯内袋)、吨袋(防潮膜内袋)。
- 待生催化剂:必须双层包装(铁桶或集装箱 + 聚乙烯内袋),内袋填充干冰或惰性气体防自燃。
- 运输与贮存
- 运输时遮盖防雨淋,不与酸/碱性物质混运。
- 贮存于阴凉、干燥、防潮、防晒的库房。
七、附录 A:实验室再生方法(规范性)
- 再生流程
- 阶段 1:以 2.0−3.0∘C/min2.0-3.0^\circ \text{C/min}2.0−3.0∘C/min 升温至 150−200∘C150-200^\circ \text{C}150−200∘C,恒温 2 小时。
- 阶段 2:以 2.0−4.0∘C/min2.0-4.0^\circ \text{C/min}2.0−4.0∘C/min 升温至 380−450∘C380-450^\circ \text{C}380−450∘C(不超过专利商限值),恒温 2-4 小时。
- 烧失率计算
xA=wA.2−wA.3wA.2−wA.1×100%x_A = \frac{w_{A.2} - w_{A.3}}{w_{A.2} - w_{A.1}} \times 100\%xA=wA.2−wA.1wA.2−wA.3×100%- wA.1w_{A.1}wA.1:不锈钢网盘质量;
- wA.2w_{A.2}wA.2:试样 + 网盘初始质量;
- wA.3w_{A.3}wA.3:再生后试样 + 网盘质量。
- 检测项目(表 A.1)
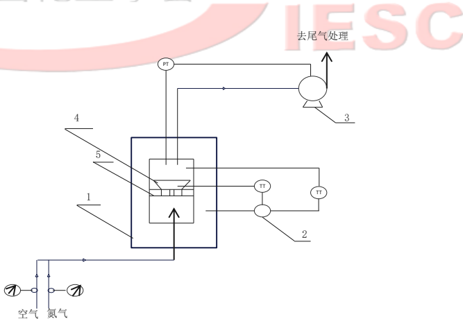
包括碳/硫含量、比表面积、孔容、强度、活性,需同时检测可再生催化剂与再生催化剂样本。 - 实验装置
使用带通气排废和温控的马弗炉,装置结构如下:

八、其他说明
- 知识产权:文件可能涉及专利,发布机构不承担识别责任。
- 安全警示:操作需遵守安全规范,防止高温、燃烧风险。
- 归口与起草:由中国化工学会归口,浙江瑞博宝珞杰等企业联合起草。
标准版权归属:中国化工学会(地址:北京市朝阳区安定路33号化信大厦B座7层)。
此总结严格依据标准原文结构,涵盖核心条款和技术细节,确保专业性与完整性。

评论