T/CASAS 044-2024 碳化硅金属氧化物半导体场效应晶体管(SiC MOSFET)高压高温高湿反偏试验方法 ,该文件为pdf格式 ,请用户放心下载!
尊敬的用户你们好,你们的支持是我们前进的动力,网站收集的文件并免费分享都是不容易,如果你觉得本站不错的话,可以收藏并分享给你周围的朋友。
如果你觉得网站不错,找不到本网站,可以百度、360搜搜,搜狗, 神马搜索关键词“文档天下”,就可以找到本网站。也可以保存到浏览器书签里。
收费文件即表明收集不易,也是你们支持,信任本网站的理由!真心非常感谢大家一直以来的理解和支持!
1. 文档概述
本文件《碳化硅金属氧化物半导体场效应晶体管(SiC MOSFET)高压高温高湿反偏试验方法》(T/CASAS 044-2024)由第三代半导体产业技术创新战略联盟(CASA)发布,旨在为SiC MOSFET器件提供一套标准化、可重复的高压高温高湿反偏(HVH³ TRB)试验方法。该标准适用于评估SiC MOSFET功率器件和功率模块在极端环境下的可靠性,重点关注器件在高温、高湿和高电压应力下的性能退化机制。文档基于SiC/SiO₂界面缺陷、氧化物陷阱等关键问题制定,确保测试能有效暴露时间相关失效,如阈值电压漂移和米勒电容变化。文件结构包括前言、引言、范围、规范性引用文件、术语定义、试验装置要求、试验方法、失效判定、测试报告及附录A(试验记录表)和参考文献。
2. 范围
本文件详细描述了SiC MOSFET器件的高压高温高湿反偏试验方法,涵盖试验装置、测试流程、失效判据和报告要求。适用于:
- 器件类型:SiC MOSFET分立功率器件和功率模块。
- 测试目的:评估器件在高温(最高200℃)、高湿(相对湿度最高95%)和高电压(漏源电压达80%最大额定值)环境下的可靠性,重点关注钝化层完整性、污染物迁移和热机械应力影响。
- 不适用范围:气密封装器件或其他非SiC基功率半导体器件。
3. 关键术语定义
文档定义了以下核心术语(基于T/CASAS 002-2021和T/CASAS 006-2020):
- 栅-源电压(
V_{\text{GS}}):器件栅极和源极间电压。 - 漏-源电压(
V_{\text{DS}}):器件漏极和源极间电压。 - 栅极漏电流(
I_{\text{GSS}}):漏源短路时,栅源电压最大下的栅极电流最大值。 - 漏极漏电流(
I_{\text{DSS}}):漏源电压高值、栅源电压规定条件下的漏极电流最大值。 - 栅-源阈值电压(
V_{\text{GS(th)}}):漏极电流达到规定低值时的栅源电压。 - 漏-源导通电阻(
R_{\text{DS(on)}}):特定栅源电压、漏极电流和结温下的漏源电阻。 - 漏-源反向电压(
V_{\text{F}}):规定条件下的漏源反向电压。 - 击穿电压(
V_{\text{BR}}):栅源电压规定、漏极电流低值时的漏源电压。 - 温度相关术语:环境温度(
T_{\text{a}})、管壳温度(T_{\text{c}})、散热器温度(T_{\text{s}})、结温(T_{\text{j}})和虚拟结温(T_{\text{vj}})。
这些术语为测试参数的测量和判定提供统一基础。
4. 试验装置要求
试验装置需提供精确可控的高温高湿环境和高压偏置,确保测试可重复性和安全性:
- 试验环境:
- 温度范围:25℃至200℃,容许偏差±2℃,波动度优于1℃,升温速率≥1℃/min。
- 湿度范围:相对湿度至95%以上,容许偏差+2%至-3%。
- 稳定性:环境参数稳定时间≤3小时,确保器件温度高于露点,避免冷凝。
- 试验装置组成:
- 功率偏置单元:
- 输出模式:恒压/恒流,电压范围覆盖器件额定值(例如2000V量程分辨率≤100mV,精度±(0.05%量程+1)V)。
- 保护功能:过压、过流、过温保护;输出纹波和噪声需控制到低水平。
- 恒温恒湿系统:
- 控制能力:快速升降温和湿度,实时监测记录数据;湿度传感器精度高。
- 安全要求:配备自动保护机制,防止测试意外。
- 测量系统:
- 设备:高精度示波器、电流表、电压表、温湿度传感器和精密源测量单元(例如
I_{\text{DSS}}测量在100nA量程下,分辨率≤10pA,精度±(0.1%量程+0.5)nA)。 - 数据记录:实时采集并存储关键参数(如
I_{\text{DSS}}、I_{\text{GSS}}、R_{\text{DS(on)}}),支持抗干扰设计。
- 设备:高精度示波器、电流表、电压表、温湿度传感器和精密源测量单元(例如
- 校准和维护:装置使用前需全面校准,定期检查以确保精度;推荐使用标准化试验系统优化SiC MOSFET特性(如阈值电压迟滞效应预处理)。
- 功率偏置单元:
5. 试验方法
试验流程设计为分步执行,确保应力暴露和参数监控。测试时间≥1000小时,具体步骤包括:
- 样品准备:
- 样品数量:单批次测试,分立器件建议154个(零栅压和负栅压各77个),功率模块建议6个(各3个)。
- 预处理:去除表面污染物,焊接或安装到测试夹具(采用四线制开尔文连接法减少寄生参数),确保散热良好;初始电参数测试(
I_{\text{DSS}}、I_{\text{GSS+}}、I_{\text{GSS-}}、R_{\text{DS(on)}}、V_{\text{GS(th)}}、V_{\text{F}}、V_{\text{BR}}),仅功能正常样品进入测试。
- 环境与偏置设置:
- 参考表1设置标准条件:结温
T_{\text{j}}=85℃、相对湿度85%、V_{\text{DS}} = 0.8 V_{\text{DS.max}}、V_{\text{GS}} = 0\,\text{V}或V_{\text{GS.min}}(若0V不能完全关断)。 - 操作顺序:先稳定温湿度(稳定时间≤3h),再施加电压偏置,避免高湿下高压导致额外失效。
- 参考表1设置标准条件:结温
- HVH³ TRB试验执行:
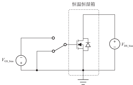
- 偏置连接:参考图1,将偏置电源
V_{\text{DS_bias}}正极接漏极、负极接源极,栅极短接源极或施加负压V_{\text{GS_bias}}。测试中实时监测I_{\text{DSS}}。

- 偏置连接:参考图1,将偏置电源
- 中间监控:定期记录
I_{\text{DSS}}变化(例如每24小时),检测早期退化。 - 冷却与湿度控制:
- 顺序:先移除偏置(中断≤1min不视为移除),再缓慢降低温湿度(降温速率控制,避免冷凝;冷却时间≤3h)。
- 风险管控:防止高温高湿环境进入低温高湿时产生冷凝水,加速水解或电化学迁移失效。
- 最终测试:
- 完成后48小时内完成电参数测试(同初始测试项目),否则追加24小时试验。
- 数据记录:包括试验前后所有参数对比。
6. 失效判定标准
器件在测试中或完成后,符合以下任一条件即判为失效(非试验操作失误导致):
- 电参数变化(基于表2):
参数 符号 失效判据(相对于初始值变化率) 漏-源导通电阻 R_{\text{DS(on)}}≥20%,或超数据手册限值 体二极管正向压降 V_{\text{F}}≥5%,或超数据手册限值 击穿电压 V_{\text{BR}}≥20%,或低于数据手册最小值 阈值电压 V_{\text{GS(th)}}≥20%,或超数据手册限值 漏极漏电流 I_{\text{DSS}}≥1000%,或超数据手册最大值 栅极漏电流(正偏) I_{\text{GSS+}}≥1000%,或超数据手册最大值 栅极漏电流(负偏) I_{\text{GSS-}}≥1000%,或超数据手册最大值 - 物理损坏:外观检查发现裂纹、变形或其他机械损伤。
- 其他失效:根据需求可增加额外判据(如封装分层)。失效样品需记录分析,不影响批次判定需用户确认。
7. 测试报告要求
测试结束后,报告必须包含以下内容,确保数据完整性和可追溯性:
- 基本信息:样品名称、型号、数量、测试日期和操作人员。
- 试验条件:偏置电压(
V_{\text{DS}}、V_{\text{GS}})、试验温度、湿度、时间。 - 监控数据:连续记录的
I_{\text{DSS}}变化曲线。 - 电参数对比:试验前后
I_{\text{DSS}}、I_{\text{GSS+}}、I_{\text{GSS-}}、R_{\text{DS(on)}}、V_{\text{GS(th)}}、V_{\text{F}}、V_{\text{BR}}的具体值。 - 其他项目:失效样品详情、装置校准记录、异常事件说明。
- 记录表示例:使用附录A的标准表格(表A.1)结构化记录数据,包括环境参数、仪器信息和样品编号。
8. 附录和参考文献
- 附录A:提供SiC MOSFET高压高温高湿反偏试验记录表(表A.1),用于标准化数据录入,包括样品信息、试验条件、参数测试结果和失效标记。
- 参考文献:引用相关标准如AEC-Q101、IEC 60749-5、JESD 22-A101D.01等,确保方法兼容国际规范(例如湿气迁移和电化学应力机制参考2024 ISPSD会议论文)。
本总结基于文档完整内容,覆盖所有关键部分,确保详细性和结构性。测试方法强调安全、精确和可重复,适用于SiC MOSFET在新能源汽车、航天等高压高温应用中的可靠性验证。

评论